Les dessins techniques constituent le langage graphique de la conception en ingénierie. Ils communiquent la forme, les dimensions, les tolérances, l'état de surface et les exigences de fabrication. Ces dessins respectent les normes internationales telles que l'ISO 128 et les conventions nationales afin de garantir la clarté et la précision des échanges entre les équipes internationales. Dans cet article, nous présenterons la définition, l'objectif, les types et les domaines d'application des dessins techniques, ainsi que leurs éléments de base, les techniques de réalisation et de lecture, et les problèmes courants et leurs solutions.

Définition du dessin technique
Un dessin technique est une représentation détaillée d'une pièce ou d'un assemblage, indiquant sa géométrie, ses dimensions et les informations de fabrication. Il utilise des symboles graphiques, des annotations et des notes pour transmettre toutes les données de conception nécessaires aux ingénieurs, aux fabricants, aux machinistes et aux contrôleurs.
Dans les projets techniques, les dessins servent de contrat entre les concepteurs et les fabricants. Ils comprennent des vues sous différents angles, les dimensions et les tolérances, les matériaux, les exigences en matière de finition de surface et les notes de production.
Objectif du dessin technique
Les dessins techniques remplissent plusieurs fonctions essentielles :
Visualisation des idées de conception
Ils transforment les concepts en un format visuel et mesurable. Les ingénieurs peuvent ainsi inspecter et peaufiner les pièces avant le début de la fabrication, ce qui permet de gagner du temps et des ressources.
Communication universelle
Les dessins utilisent des symboles et des formats standardisés afin que les ingénieurs de différentes régions ou entreprises puissent les interpréter de manière cohérente. Ce langage commun élimine toute ambiguïté et prévient les erreurs de production.
Documentation et traçabilité
Les dessins techniques consignent de manière permanente les intentions de conception et les spécifications. Ils font partie intégrante de la documentation relative à l'assurance qualité et à la conformité, notamment dans les secteurs réglementés.
Guide de fabrication
Les ateliers d'usinage s'appuient sur les plans pour connaître les dimensions, les tolérances, les états de surface et les caractéristiques des matériaux. Ces détails influencent directement l'usinage CNC, l'outillage et les processus de contrôle final.

Types de dessins techniques
Volontairement
Les dessins de conception sont utilisés lors de la phase conceptuelle. Ils aident les ingénieurs à explorer différentes idées, à visualiser les solutions potentielles et à valider les fonctionnalités avant de s'engager dans la production. Bien qu'ils ne comprennent pas tous les détails, ils constituent la base créative du développement ultérieur.
Les plans d'exécution, en revanche, sont des documents définitifs qui guident la production. Ils contiennent tous les détails techniques, les tolérances et les spécifications nécessaires à la fabrication et au contrôle de la pièce. Ce sont ces plans sur lesquels s'appuient les machinistes et les contrôleurs pour garantir la précision.
Par méthode
Les dessins à la main sont traditionnels et restent précieux pour les croquis rapides ou les premières phases de conception. Réalisés au crayon, à la règle ou au compas, ils offrent une grande flexibilité sans nécessiter de logiciel. Cependant, ils manquent de la précision et de l'efficacité requises pour la fabrication moderne.
Le dessin assisté par ordinateur (DAO) est aujourd'hui la méthode dominante. Des outils tels qu'AutoCAD, SolidWorks et CATIA permettent aux ingénieurs de créer, de modifier et de partager des conceptions avec rapidité et précision. La CAO s'intègre aux machines à commande numérique, aux simulations et aux logiciels de contrôle qualité, ce qui la rend indispensable en ingénierie moderne.
Par projection
Les projections orthographiques présentent différentes vues d'un objet, telles que la face, le dessus et le côté. Elles permettent de restituer les dimensions exactes sans distorsion, garantissant ainsi aux machinistes la précision des mesures et de la production des composants. Cette méthode est largement utilisée pour sa clarté technique.
Les projections axonométriques ou isométriques offrent une vue tridimensionnelle sur une feuille bidimensionnelle. Elles sont particulièrement utiles pour visualiser les formes générales et les relations spatiales. Bien qu'elles puissent déformer l'échelle, elles améliorent la communication du projet auprès des parties prenantes non techniques.

Domaines d'application des dessins techniques
Ingénierie mécanique
Le génie mécanique repose largement sur les dessins techniques pour la conception des pièces, les instructions d'assemblage et les schémas de processus. Ces dessins définissent les dimensions, les tolérances et les états de surface, garantissant ainsi le bon fonctionnement des systèmes mécaniques. Sans eux, les machines seraient sujettes aux défauts d'alignement, aux pertes de rendement et aux pannes prématurées.
génie électrique
En génie électrique, on utilise des schémas pour représenter les circuits, les câblages et les systèmes de commande. Chaque symbole et chaque ligne indique les connexions, les tensions nominales et la logique de commande. Grâce à ces schémas électriques normalisés, les électriciens et les ingénieurs peuvent installer et dépanner les systèmes sans difficulté.
travaux publics
Le génie civil repose sur des plans architecturaux, des schémas de structure et des plans de construction. Ces documents garantissent la construction précise des ponts, des bâtiments et des infrastructures, conformément aux plans. La précision des échelles est primordiale, car même de petites erreurs peuvent compromettre l'intégrité structurelle.
Ingénierie chimique
Le génie chimique utilise des schémas pour représenter les flux de procédés, les réseaux de tuyauterie et les raccordements d'équipements. Ces schémas aident les ingénieurs à visualiser les réactions complexes, les systèmes sous pression et les procédés de séparation. Grâce à eux, la sécurité et l'efficacité sont garanties dans les installations industrielles.
Autres champs
D'autres domaines, tels que l'aérospatiale, le génie naval, l'automobile et le génie médical, s'appuient également sur des dessins techniques précis. Chaque secteur adapte les conventions de dessin à ses propres exigences. Par exemple, les dessins aérospatiaux privilégient les matériaux légers et les tolérances serrées, tandis que le génie médical se concentre sur la biocompatibilité et l'hygiène.

Éléments clés d'un bon dessin technique
Un dessin technique clair et complet comporte ces éléments essentiels :
Points de vue et projections
Plusieurs vues permettent de révéler différentes faces d'une pièce. Les projections orthographiques montrent des formes et des dimensions précises, tandis que les vues isométriques aident à visualiser des formes complexes.
Dimensionnement et mise à l'échelle
Les dimensions correspondent aux tailles réelles. La mise à l'échelle permet d'adapter les grands objets à la page tout en conservant les proportions. Utilisez des unités cohérentes (millimètres ou pouces).
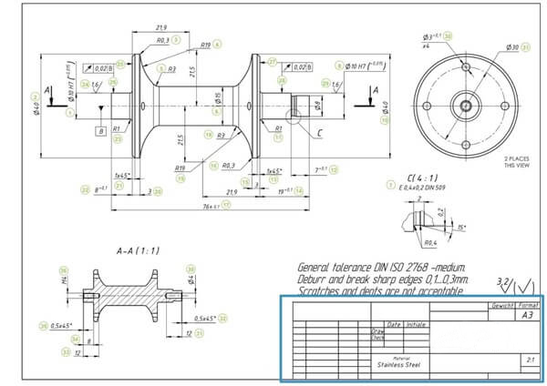
Tolérances et GD&T
Les tolérances définissent l'amplitude des variations acceptables en fabrication. Le dimensionnement et le tolérancement géométriques (GD&T) offrent un langage symbolique permettant de contrôler la forme, l'orientation et la position avec une précision supérieure aux tolérances traditionnelles.
Parmi les exemples, citons les tolérances de planéité, de perpendicularité et de position réelle. Les symboles GD&T sont définis dans des normes telles que l'ASME Y14.5.
Finition de surface
Les symboles de finition de surface indiquent les exigences de rugosité ; par exemple, les valeurs Ra définissent la régularité des surfaces fonctionnelles.
Notes sur les matériaux et le traitement
Les dessins doivent préciser les matériaux et les traitements supplémentaires tels que le traitement thermique, le plaquage ou les revêtements.
Cartouches et notes
Le cartouche contient les métadonnées : numéro de pièce, échelle du dessin, auteur et historique des révisions. Les notes fournissent les instructions de fabrication et de contrôle.
Méthodes de dessin des dessins techniques
Il existe deux méthodes pour dessiner des dessins techniques : l'une est le dessin à la main et l'autre est le dessin assisté par ordinateur.
Dessin à main levée
Les étapes du dessin à la main sont les suivantes :
-
Préparez les outils : Rassemblez les outils nécessaires comme des crayons, des règles et des compas. Choisissez le format de papier et les types de lignes adaptés au dessin.
-
Cadre de dessin : À l'aide d'une règle, tracez un cadre rectangulaire centré sur la feuille. Assurez-vous que les marges du cadre sont régulières sur tous les côtés.
-
Barre de titre du dessin : Créez un petit rectangle dans le coin inférieur droit du cadre pour le cartouche. Cette zone doit contenir les informations clés du projet, comme le nom du dessin, l'échelle et l'auteur.
-
Vues de dessin : Sélectionnez la méthode de projection appropriée pour dessiner les vues de l'objet à l'intérieur du cadre. Organisez les vues de manière logique et mettez-les à l'échelle appropriée.
-
Dimensions du dessin : Ajoutez des lignes de cote, des symboles et des valeurs aux vues pour indiquer la taille. Placez les cotes clairement, sans chevauchement avec d'autres lignes, et respectez le formatage standard.
-
Symboles de dessin : Marquez le dessin avec des symboles standards pour les matériaux, les surfaces ou les caractéristiques spéciales. Placez ces symboles à proximité des pièces concernées et orientez-les correctement.
-
Vérification et modification : Vérifiez l'intégralité du dessin pour en vérifier l'exactitude et la clarté. Corrigez les erreurs en effaçant et en redessinant jusqu'à ce que le dessin réponde à toutes les exigences.
Dessin assisté par ordinateur
Les étapes du dessin assisté par ordinateur sont les suivantes :
-
Préparez le logiciel : Installez et configurez des logiciels de CAO comme AutoCAD ou SolidWorks. Familiarisez-vous avec l'interface et les fonctions de base du logiciel.
-
Créer des fichiers: Créez un nouveau fichier et sélectionnez le type, le format et l'échelle de dessin appropriés. Choisissez les unités et la précision adaptées au projet.
-
Cadre de dessin : Utilisez les outils de dessin pour créer un cadre rectangulaire sur la page. Ce cadre doit être centré et avoir des marges régulières.
-
Barre de titre du dessin : Dessinez un bloc de titre dans le coin inférieur droit du cadre. Utilisez les outils de texte pour le remplir avec les informations standard du projet, comme le nom, l'échelle et l'auteur.
-
Vues de dessin : Dessinez les vues de l'objet à l'intérieur du cadre à l'aide de lignes, de cercles et d'autres outils. Organisez les vues selon les règles de projection, soit en les dessinant directement, soit en les générant à partir d'un modèle 3D.
-
Annotation de la taille du dessin : Utilisez les outils de cotation pour ajouter des mesures aux vues. Placez les dimensions clairement et formatez-les conformément aux normes, du global au détaillé.
-
Symboles de dessin : Insérez des symboles standards pour les éléments tels que les surfaces, les soudures ou les filetages. Placez-les à proximité des pièces concernées et orientez-les correctement.
-
Vérifier et modifier : Vérifiez le dessin pour détecter les erreurs et les inexactitudes. Utilisez les outils de modification pour supprimer, déplacer ou ajuster des éléments jusqu'à ce que le dessin soit correct.
-
Enregistrer et imprimer : Enregistrez le fichier au format et à l'emplacement souhaités. Imprimez le dessin en vous assurant que les paramètres d'échelle et de format de papier de l'imprimante produisent un résultat net.

Dessins d'ingénierie en usinage CNC
Les dessins d'usinage CNC traduisent les données de conception en instructions exploitables pour les machines. Ces dessins doivent inclure :
- Dimensions générales et détaillées avec des indications de tolérance claires pour garantir que les pièces s'ajustent et fonctionnent comme prévu.
- Des symboles de finition de surface sont nécessaires pour répondre aux exigences esthétiques et de performance.
- Les spécifications des matériaux orientent le choix des outils et les paramètres d'usinage.
- Utilisez une seule référence de positionnement pour éviter l'accumulation des tolérances. Ceci garantit des résultats constants lors du fraisage ou du tournage CNC.
Problèmes de dessin courants et solutions pratiques
De nombreux problèmes découlent de dessins imprécis. Voici comment les éviter :
- Symboles ambigus : Normaliser les symboles et former les équipes aux conventions ISO ou ASME.
- Dimensions surchargées : Organisez les dimensions de manière logique et supprimez les redondances.
- Incohérences d'échelle : Vérifiez que l'échelle du cartouche correspond bien aux vues réelles.
- Tolérances manquantes : Indiquez toujours les tolérances, en particulier pour les éléments d'accouplement.
Choisir Richconn pour les dessins d'ingénierie de précision
Lors de la transformation d'un design en réalité, le choix du bon partenaire d'usinage CNC est essentielle. Richconn Spécialisée dans l'usinage CNC de précision, le prototypage et la fabrication de solutions. Forte d'une expertise approfondie en dessins techniques, tolérances et états de surface, Richconn garantit des pièces répondant exactement aux exigences.
Du développement du prototype à la production en série, Richconn Nous proposons des services complets incluant le conseil en conception, la production et l'inspection. Cela garantit le respect de chaque détail de vos dessins techniques pendant la fabrication.
Pour les ingénieurs qui apprécient la précision, la rapidité et la qualité, Richconn est le partenaire de confiance pour donner vie à vos créations.
Conclusion
Les plans techniques sont essentiels à une fabrication de précision et à la réussite des projets d'ingénierie. Ils expriment l'intention de conception, guident l'usinage CNC et garantissent des pièces fonctionnelles et de haute qualité. En respectant des normes telles que l'ISO 128, l'ISO 2768 et l'ASME Y14.5, les ingénieurs et les fabricants peuvent assurer la cohérence, la clarté et la performance des équipes internationales.
Des plans clairs, comportant les dimensions, tolérances, états de surface et matériaux appropriés, garantissent un usinage efficace et réduisent les coûts de production. Grâce à de bonnes pratiques de documentation et à des partenaires expérimentés comme RichconnVos conceptions deviendront des pièces de précision répondant à des exigences exactes.
QFP
Quelle est la différence entre les dessins de conception et les dessins d’exécution ?
Les dessins de conception sont conceptuels, tandis que les dessins d'exécution contiennent des détails de fabrication complets.
Pourquoi les vues en coupe sont-elles importantes ?
Ils révèlent des caractéristiques internes qui ne peuvent pas être montrées dans des vues externes.
Quel est le rôle d'un cartouche ?
Il fournit des métadonnées essentielles : nom de la pièce, matériau, échelle, date et dessinateur.
Pourquoi la CAO est-elle préférée au dessin à la main aujourd’hui ?
La CAO offre une plus grande précision, des révisions faciles et une compatibilité avec les logiciels de fabrication.
Quelles industries dépendent fortement des dessins techniques ?
Les industries mécaniques, civiles, électriques, chimiques, aérospatiales et médicales dépendent toutes de dessins techniques précis.